Каталог
Вакуумный насосный агрегат GNSP-20B
Вакуумный насос
| Модель | GNSP-20B | |
| Вход (мм) | 114 | |
| Выход (мм) | 114 | |
| Управление | Пневматическое | |
| Материал «бочки» насоса | Углеродистая сталь | |
| Элементы защиты от перегрузки | Нержавеющая сталь AISI 316 | |
| Степень вакуума (кПа) | 85 | |
| Максимальное расстояние всасывания (м) | 50 | |
| Максимальное расстояние высасывания (м) | 500 | |
| Максимальное содержание твердых для подачи (%) | 80 | |
| Максимальный размер твердых для подачи (мм) | 50 | |
| Рабочее давление (кПа) | 550-690 | |
| Объем требуемого воздуха (м³/мин) | 8 | |
| Вес (кг) | 365 | |
Воздушный компрессор
| Модель | WEP-55A | |
| Объемный расход (м³/мин) | 8,2 | |
| Давление нагнетания (МПа) | 0,7 | |
| Интерфейс | DN 50 | |
| Класс взрывозащиты | BT4 | |
| Напряжение (В) / Частота (Гц) | 380/50 | |
| Рабочее давление (МПа) | 0,7 | |
| Объем нагнетания (м³/мин) | 11 | |
| Передача | Гибкая муфта прямого соединения | |
| Содержание масла в сжатом воздухе (ppm) | ≤2 | |
| Мощность двигателя (кВт) | 55 | |
| Скорость двигателя (об/мин) | 2970 | |
| Номинальный ток (А) | 100,75 | |
| Коэффициент использования двигателя (S.F.) | 1,2 | |
| Класс защиты двигателя | IP55 | |
| Класс изоляции двигателя | F | |
| Пуск | Y/Δ | |
| Охлаждение | Воздушное | |
| Мощность вентилятора (Вт) | 1500 | |
| Расход охлаждающего воздуха (м³/ч) | 24 000 | |
| Скорость вентилятора (об/мин) | 960 | |
| Температура отработанного воздуха (°C) | Tокр +10 | |
| Объем смазочного масла (л) | 40 | |
| Маркировка взрывозащиты | Ex db eb IIB T4 Gb | |
| Габаритные размеры (мм) | 1770 x 1225 x 1640 | |
| Вес (кг) | 1400 | |
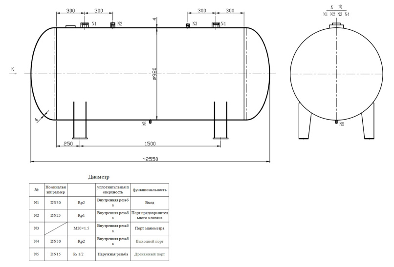
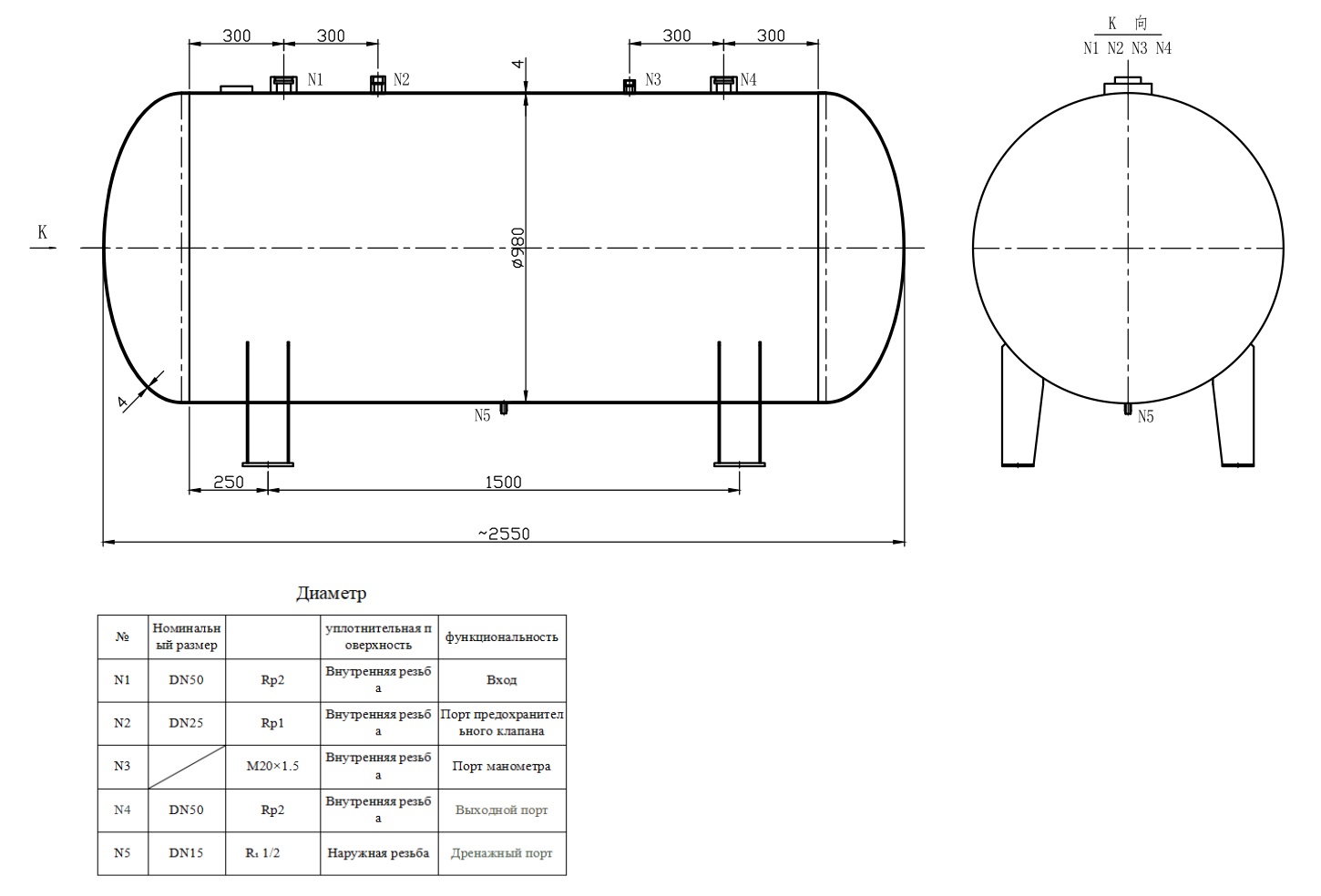
Воздушный ресивер
| Модель | C-2,0/0,8 | |
| Объем (м³) | 2 | |
| Рабочее давление (МПа) | 0,8 | |
| Расчетное давление (МПа) | 0,88 | |
| Расчетная температура (°C) | 110 | |
| Рабочая температура (°C) | 100 | |
| Испытательное давление сосуда (МПа) | 1,2 | |
| Коэффициент сварного соединения | 0,85/0,8 | |
| Материал | Q345R | |
| Вес (кг) | 295 | |
Шефмонтажные и пусконаладочные работы
При поставке данного оборудования возможен шеф-монтаж нашими инженерами.
Шефмонтажные работы являются одним из важных этапов при создании нового производства, позволяя правильно ввести в эксплуатацию оборудование, сохранив его работоспособность и надежность, исключить сбои и брак во время эксплуатации.
Этапы шефмонтажных работ
0
Осмотр производственной площадки
1
Монтаж оборудование на постоянное место
2
Проверка работоспособности всех узлов и агрегатов
3
Настройка оборудования
4
Изготовление пробной партии продукции
5
Инструктаж и практическое обучение персонала
6
Передача оборудования в производственный цикл
Запчасти для насосов
Программа по обеспечению запасными частями и расходными материалами позволяет обслуживать клиентов на высоком уровне. Постоянное изучение потребностей наших заказчиков дает возможность прогнозировать потребности клиентов и вовремя пополнять складские запасы наиболее востребованным ассортиментом. А в случае отсутствия необходимой запчасти на нашем складе ее всегда можно заказать на заводе-производителе.
Доставка
Доставка осуществляется во все города РФ и стран ЕврАзЭС. Мы организуем доставку любым удобным видом транспорта.
Перед передачей в перевозку все грузы проходят проверку на складе и составляется фотоотчет.
На все грузы наносится маркировка.
Собственный парк автотранспорта.
Собственный парк контейнеров.
Лизинг
Лизинг - это финансовый инструмент, позволяющий предприятию получить в пользование технику или оборудование, не отвлекая денежных средств из оборота компании.
Получив вашу заявку на лизинг, мы отправим ее на рассмотрение всем лизинговым компаниям, с которыми мы сотрудничаем. Вам останется лишь выбрать наиболее подходящее предложение.