Каталог
Перистальтический насос YM-80
| Модель | YM-80 |
| Мощность двигателя (кВт) | 7,5/11 |
| Максимальное давление на входе (бар) | 10 |
| Скорость вращения (об/мин) | 35 |
| Диапазон температуры жидкости (°C) | -10...80 |
| Расход на обороты (л/об) | 11,7 |
| Вход/выход | DN80 |
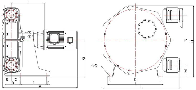
| Габаритные размеры (мм) | 1120 x 1150 x 1080 |
| Вес (кг) | 635 |
| A | B | C | D | E | F | G | H |
| 1120 | 128,5 | 140,5 | 235 | 390 | 50 | 555,1 | 1072,1 |
| I | J | K | L | M | N | O | P |
| 501,5 | 830,1 | 766 | 1148,8 | 180,1 | 750 | Φ20 | DN80 |
Шефмонтажные и пусконаладочные работы
При поставке данного оборудования возможен шеф-монтаж нашими инженерами.
Шефмонтажные работы являются одним из важных этапов при создании нового производства, позволяя правильно ввести в эксплуатацию оборудование, сохранив его работоспособность и надежность, исключить сбои и брак во время эксплуатации.
Этапы шефмонтажных работ
0
Осмотр производственной площадки
1
Монтаж оборудование на постоянное место
2
Проверка работоспособности всех узлов и агрегатов
3
Настройка оборудования
4
Изготовление пробной партии продукции
5
Инструктаж и практическое обучение персонала
6
Передача оборудования в производственный цикл
Запчасти для насосов
Программа по обеспечению запасными частями и расходными материалами позволяет обслуживать клиентов на высоком уровне. Постоянное изучение потребностей наших заказчиков дает возможность прогнозировать потребности клиентов и вовремя пополнять складские запасы наиболее востребованным ассортиментом. А в случае отсутствия необходимой запчасти на нашем складе ее всегда можно заказать на заводе-производителе.
Доставка
Доставка осуществляется во все города РФ и стран ЕврАзЭС. Мы организуем доставку любым удобным видом транспорта.
Перед передачей в перевозку все грузы проходят проверку на складе и составляется фотоотчет.
На все грузы наносится маркировка.
Собственный парк автотранспорта.
Собственный парк контейнеров.
Наши партнеры по доставке
Лизинг
Лизинг - это финансовый инструмент, позволяющий предприятию получить в пользование технику или оборудование, не отвлекая денежных средств из оборота компании.
Получив вашу заявку на лизинг, мы отправим ее на рассмотрение всем лизинговым компаниям, с которыми мы сотрудничаем. Вам останется лишь выбрать наиболее подходящее предложение.