Каталог
Радиально-сверлильный станок Z3050X16
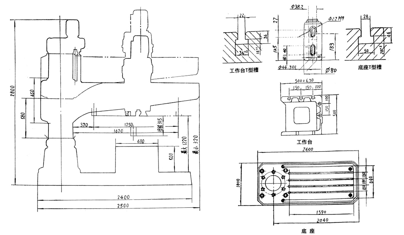
| Модель | Z3050X16 |
| Максимальный диаметр сверления (мм) | 50 |
| Размеры основания (мм) | 2400 x 1000 |
| Расстояние от торца шпинделя до поверхности рабочего стола (мм) | 320-1220 |
| Расстояние от оси шпинделя до колонны (мм) | 370-1620 |
| Горизонтальный ход сверлильной головки по консоли (мм) | 1250 |
| Вертикальный ход консоли (мм) | 580 |
| Вертикальный ход шпинделя (мм) | 315 |
| Конус шпинделя | МТ5 |
| Скорость вращения шпинделя (об/мин) | 25-2000 (16 передач) |
| Диапазон подач шпинделя (мм/об) | 0,04-3,2 (16 передач) |
| Мощность двигателя шпинделя (кВт) | 4 |
| Мощность двигателя подъема консоли (кВт) | 1,5 |
| Напряжение (В) / Частота (Гц) | 380/50 |
| Габаритные размеры (мм) | 2500 x 1060 x 2800 |
| Вес (кг) | 3500 |
Шефмонтажные и пусконаладочные работы
При поставке данного оборудования возможен шеф-монтаж нашими инженерами.
Шефмонтажные работы являются одним из важных этапов при создании нового производства, позволяя правильно ввести в эксплуатацию оборудование, сохранив его работоспособность и надежность, исключить сбои и брак во время эксплуатации.
Этапы шефмонтажных работ
0
Осмотр производственной площадки
1
Монтаж оборудование на постоянное место
2
Проверка работоспособности всех узлов и агрегатов
3
Настройка оборудования
4
Изготовление пробной партии продукции
5
Инструктаж и практическое обучение персонала
6
Передача оборудования в производственный цикл
Запчасти для сверлильных станков
Программа по обеспечению запасными частями и расходными материалами позволяет обслуживать клиентов на высоком уровне. Постоянное изучение потребностей наших заказчиков дает возможность прогнозировать потребности клиентов и вовремя пополнять складские запасы наиболее востребованным ассортиментом. А в случае отсутствия необходимой запчасти на нашем складе ее всегда можно заказать на заводе-производителе.
Доставка
Доставка осуществляется во все города РФ и стран ЕврАзЭС. Мы организуем доставку любым удобным видом транспорта.
Перед передачей в перевозку все грузы проходят проверку на складе и составляется фотоотчет.
На все грузы наносится маркировка.
Собственный парк автотранспорта.
Собственный парк контейнеров.
Лизинг
Лизинг - это финансовый инструмент, позволяющий предприятию получить в пользование технику или оборудование, не отвлекая денежных средств из оборота компании.
Получив вашу заявку на лизинг, мы отправим ее на рассмотрение всем лизинговым компаниям, с которыми мы сотрудничаем. Вам останется лишь выбрать наиболее подходящее предложение.