Каталог
Вилочный дизельный погрузчик HANGCHA CPCD160-AXG90
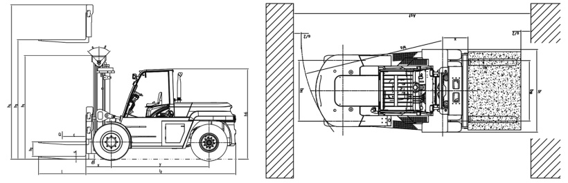
| Модель | CPCD160-AXG90 | |
| Знаки отличия | Тип привода | Дизель |
| Номинальная грузоподъемность (Q) (кг) | 16 000 | |
| Расстояние до центра нагрузки (c) (мм) | 600 | |
| Передний свес (x) (мм) | 805 | |
| Колесная база (y) (мм) | 3100 | |
| Вес | Собственный вес (включая масло и воду, кг) | 18 800 |
| Распределение нагрузки на мосту до/после полной нагрузки (кг) | 31 580/2920 | |
| Распределение нагрузки на мосту без нагрузки спереди/сзади (кг) | 8325/10 175 | |
| Шины | Тип | Пневматическая шина |
| Размер передних шин | 12,00-20-20PR | |
| Размер задних шин | 12,00-20-20PR | |
| Колёса, количество передних/задних (x = ведущие) | 4x/2 | |
| Колея передних колес (b10) (мм) | 1880 | |
| Колея задних колес (b11) (мм) | 1890 | |
| Габаритные размеры | Угол наклона мачты вперед/назад α/β | 6°/12° |
| Высота погрузчика (мачта опущена) (h1) (мм) | 3290 | |
| Свободный ход (h2) (мм) | 90 | |
| Высота подъема (h3) (мм) | 3000 | |
| Высота кабины оператора (h4) (мм) | 2865 | |
| Длина до лицевой стороны вил (h6) (мм) | 4750 | |
| Общая ширина (b1) (мм) | 2580 | |
| Размеры вил (длина x ширина x толщина) (l/e/s), (мм) | 1500 x 200 x 90 | |
| Расстояние между вилами (минимум/максимум, мм) | 520-2200 | |
| Дорожный просвет под мачтой, с грузом (m1) (мм) | 270 | |
| Прямоугольный канал штабелирования (ширина поддона 1000 x 1200) (Ast) (мм) | 6855 | |
| Минимальный радиус поворота (Wa) (мм) | 4350 | |
| Производительность | Скорость движения (с грузом/без груза, км/ч) | 25/29 |
| Скорость подъема (с грузом/без груза, м/с) | 0,330/0,360 | |
| Скорость опускания (с грузом/без груза, м/с) | 0,450/0,400 | |
| Тяговое усилие (с грузом/без груза, Н) | 100 000/- | |
| Преодолеваемый подъем (с грузом/без груза, %) | 20/- | |
| Двигатель | Производитель/Модель | YUCHAI/YCA07160-T400 |
| Номинальная мощность (кВт) | 118 | |
| Номинальная частота вращения (об/мин) | 2200 | |
| Количество цилиндров/объем (мл) | 6/6870 | |
| Привод (напряжение/емкость) (В/Ач) | 2 x 12/120 | |
| Максимальный крутящий момент (Н x м, об/мин) | 670, 1400-1700 | |
| Разное | Тип | Электрогидравлический |
| Передача вперед/назад | 2/2 | |
| Метод переключения | Электрогидравлический | |
| Объем топливного бака (л) | 244 | |
Шефмонтажные и пусконаладочные работы
При поставке данного оборудования возможен шеф-монтаж нашими инженерами.
Шефмонтажные работы являются одним из важных этапов при создании нового производства, позволяя правильно ввести в эксплуатацию оборудование, сохранив его работоспособность и надежность, исключить сбои и брак во время эксплуатации.
Этапы шефмонтажных работ
0
Осмотр производственной площадки
1
Монтаж оборудование на постоянное место
2
Проверка работоспособности всех узлов и агрегатов
3
Настройка оборудования
4
Изготовление пробной партии продукции
5
Инструктаж и практическое обучение персонала
6
Передача оборудования в производственный цикл
Запчасти для дизельных вилочных погрузчиков
Программа по обеспечению запасными частями и расходными материалами позволяет обслуживать клиентов на высоком уровне. Постоянное изучение потребностей наших заказчиков дает возможность прогнозировать потребности клиентов и вовремя пополнять складские запасы наиболее востребованным ассортиментом. А в случае отсутствия необходимой запчасти на нашем складе ее всегда можно заказать на заводе-производителе.
Доставка
Доставка осуществляется во все города РФ и стран ЕврАзЭС. Мы организуем доставку любым удобным видом транспорта.
Перед передачей в перевозку все грузы проходят проверку на складе и составляется фотоотчет.
На все грузы наносится маркировка.
Собственный парк автотранспорта.
Собственный парк контейнеров.
Наши партнеры по доставке
Лизинг
Лизинг - это финансовый инструмент, позволяющий предприятию получить в пользование технику или оборудование, не отвлекая денежных средств из оборота компании.
Получив вашу заявку на лизинг, мы отправим ее на рассмотрение всем лизинговым компаниям, с которыми мы сотрудничаем. Вам останется лишь выбрать наиболее подходящее предложение.