Каталог
Ричтрак LINDE R14S
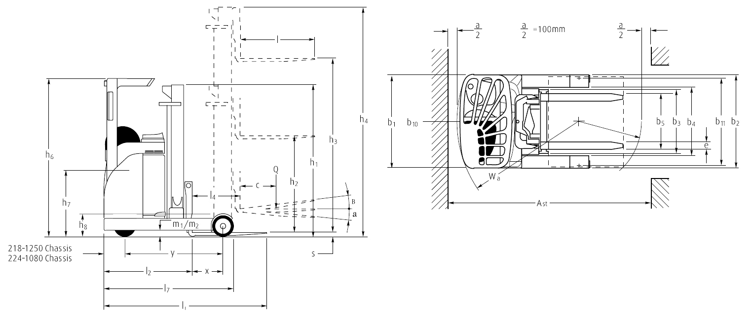
Характеристики ричтрака
| Модель | R14S |
| Код конфигурации | CQD |
| Тип источника питания | Аккумулятор (герметичный) |
| Вид управления | Сидя |
| Грузоподъемность (Q) (кг) | 1400 |
| Расстояние до центра нагрузки (c) (мм) | 600 |
| Расстояние от центра оси до поверхности вил (x) (мм) | 239 |
| База колес (y) (мм) | 1275 |
| Нагрузка на ось без груза (передняя/задняя) (кг) | 1800/1090 |
| Нагрузка на ось с грузом (вылет вил) (передняя/задняя) (кг) | 520/3770 |
| Нагрузка на ось с грузом (втянутые вилы) (передняя/задняя) (кг) | 1485/2805 |
| Тип шин | P/P (полиуретан) |
|
Размеры передних шин (мм) |
343 x 135 |
| Размеры задних шин (мм) | 285 x 100 |
| Количество колес (передние/задние, x = ведущие) | 1x/2 |
| Ширина колеи передних колес (мм) | 1150 |
| Ширина колеи задних колес (мм) | 0 |
| Наклон мачты (вперед/назад) |
2°/4° |
| Высота мачты в опущенном состоянии (h1) (мм) | 2476 |
| Свободный подъем (h2) (мм) | 1627 |
| Высота подъема (h3) (мм) | 5755 |
| Высота мачты в выдвинутом состоянии (h4) (мм) | 6495 |
| Высота защитного козырька (h6) (мм) | 2110 |
| Высота сиденья (минимальная/максимальная) (h7) (мм) | 940/1030 |
| Высота лап вил (h8) (мм) | 310 |
| Общая длина (l1) (мм) | 2407 |
| Длина до спинки вил (l2) (мм) | 1257 |
| Общая ширина (b1/b2) (мм) | 1234/1250 |
| Размеры вил (s/e/l) (мм) | 100 x 45 x 1150 |
| Ширина каретки вил (b3) (мм) | 830 |
| Расстояние между вилами (минимальное/максимальное) (b5) (мм) | 296/690 |
| Ширина между лапами (b4) (мм) | 922 |
| Ход выдвижения каретки (l4) (мм) | 424 |
| Дорожный просвет под мачтой (m1) (мм) | 75 |
| Дорожный просвет по центру базы (m2) (мм) | 75 |
| Ширина прохода для маневрирования с поддоном 1000 x 1200 мм (Ast) (мм) | 2709 |
|
Ширина прохода для маневрирования с поддоном 800 x 1200 мм (Ast) (мм) |
2781 |
| Радиус поворота (Wa) (мм) | 1540 |
| Длина шасси (l7) (мм) | 1638 |
| Скорость движения (с грузом / без груза) (км/ч) | 13,5/13,5 |
| Скорость подъема (с грузом / без груза) (м/с) | 0,42/0,66 |
| Скорость опускания (с грузом / без груза) (м/с) | 0,55/0,45 |
| Скорость выдвижения каретки (с грузом / без груза) (м/с) | 0,15/0,15 |
| Преодоление подъема (с грузом / без груза) (%) | 4,5/8,2 (30 мин) |
| Максимальное преодоление подъема (%) | 10 (5 мин) |
| Время разгона (с грузом / без груза) (с) | 5,5/4,8 |
| Тормоз | Гидравлический |
| Мощность двигателя хода (кВт) | 6,5 (60 мин) |
| Мощность двигателя подъема (кВт) | 14 (15%) |
| Напряжение батареи (В) / Емкость батареи (А·ч) | 48/560 (по стандарту IEC) |
| Рабочее давление гидравлической системы (бар) | 200 |
| Производительность гидросистемы (л/мин) | 65 |
| Уровень шума (дБ(А)) | 63 |
| Вес батареи (кг) | 939 |
| Собственный вес (с батареей) (кг) | 2890 |
Характеристики мачты
| Высота подъема (h3) | 4655 | 5155 | 5755 | 6255 | 6655 | 6955 | 7255 | 7555 | 7955 | 8255 | 8555 |
| Свободный подъем (h2) | 1261 | 1627 | 1627 | 2061 | 2061 | 2061 | 2527 | 2527 | 2527 | 2527 | 3061 |
| Высота мачты в сложенном положении (h1) | 2110 | 2476 | 2476 | 2910 | 2910 | 2910 | 3376 | 3376 | 3376 | 3376 | 3910 |
| Высота мачты в поднятом положении (h4) | 5395 | 5895 | 6495 | 6995 | 7395 | 7695 | 7995 | 8295 | 8695 | 8995 | 9295 |
Шефмонтажные и пусконаладочные работы
При поставке данного оборудования возможен шеф-монтаж нашими инженерами.
Шефмонтажные работы являются одним из важных этапов при создании нового производства, позволяя правильно ввести в эксплуатацию оборудование, сохранив его работоспособность и надежность, исключить сбои и брак во время эксплуатации.
Этапы шефмонтажных работ
0
Осмотр производственной площадки
1
Монтаж оборудование на постоянное место
2
Проверка работоспособности всех узлов и агрегатов
3
Настройка оборудования
4
Изготовление пробной партии продукции
5
Инструктаж и практическое обучение персонала
6
Передача оборудования в производственный цикл
Запчасти для ричтраков
Программа по обеспечению запасными частями и расходными материалами позволяет обслуживать клиентов на высоком уровне. Постоянное изучение потребностей наших заказчиков дает возможность прогнозировать потребности клиентов и вовремя пополнять складские запасы наиболее востребованным ассортиментом. А в случае отсутствия необходимой запчасти на нашем складе ее всегда можно заказать на заводе-производителе.
Доставка
Доставка осуществляется во все города РФ и стран ЕврАзЭС. Мы организуем доставку любым удобным видом транспорта.
Перед передачей в перевозку все грузы проходят проверку на складе и составляется фотоотчет.
На все грузы наносится маркировка.
Собственный парк автотранспорта.
Собственный парк контейнеров.
Лизинг
Лизинг - это финансовый инструмент, позволяющий предприятию получить в пользование технику или оборудование, не отвлекая денежных средств из оборота компании.
Получив вашу заявку на лизинг, мы отправим ее на рассмотрение всем лизинговым компаниям, с которыми мы сотрудничаем. Вам останется лишь выбрать наиболее подходящее предложение.