Каталог
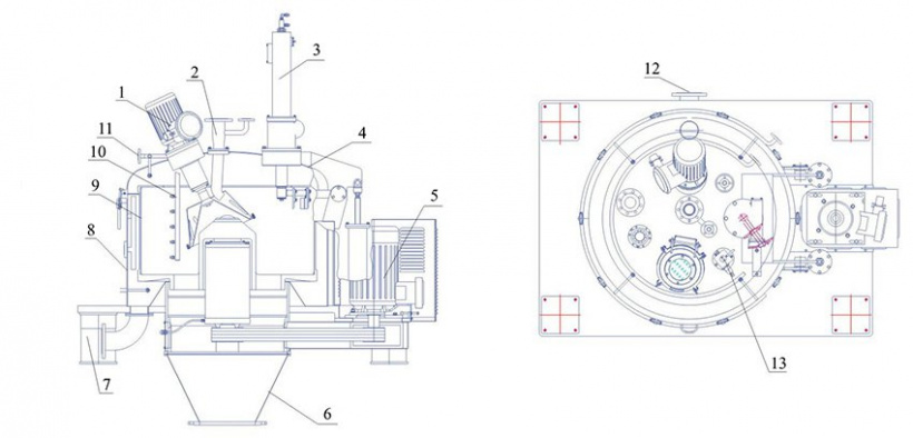
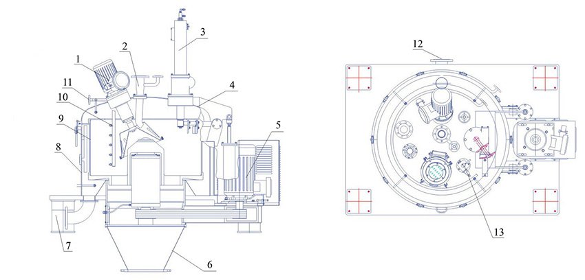
Фильтрующая центрифуга LGZ/PGZ1800
| Модель | LGZ/PGZ1800 |
| Диаметр барабана (мм) | 1800 |
| Объем барабана (л) | 1000 |
| Максимальная загрузка (кг) | 1200 |
| Максимальная частота вращения (об/мин) | 800 |
| Мощность двигателя (кВт) | 45 |
| Габаритные размеры (мм) | 3260 x 2300 x 2100 |
| Вес (кг) | 12 000 |
Шефмонтажные и пусконаладочные работы
При поставке данного оборудования возможен шеф-монтаж нашими инженерами.
Шефмонтажные работы являются одним из важных этапов при создании нового производства, позволяя правильно ввести в эксплуатацию оборудование, сохранив его работоспособность и надежность, исключить сбои и брак во время эксплуатации.
Этапы шефмонтажных работ
0
Осмотр производственной площадки
1
Монтаж оборудование на постоянное место
2
Проверка работоспособности всех узлов и агрегатов
3
Настройка оборудования
4
Изготовление пробной партии продукции
5
Инструктаж и практическое обучение персонала
6
Передача оборудования в производственный цикл
Запчасти для фильтрующих центрифуг
Программа по обеспечению запасными частями и расходными материалами позволяет обслуживать клиентов на высоком уровне. Постоянное изучение потребностей наших заказчиков дает возможность прогнозировать потребности клиентов и вовремя пополнять складские запасы наиболее востребованным ассортиментом. А в случае отсутствия необходимой запчасти на нашем складе ее всегда можно заказать на заводе-производителе.
Доставка
Доставка осуществляется во все города РФ и стран ЕврАзЭС. Мы организуем доставку любым удобным видом транспорта.
Перед передачей в перевозку все грузы проходят проверку на складе и составляется фотоотчет.
На все грузы наносится маркировка.
Собственный парк автотранспорта.
Собственный парк контейнеров.
Лизинг
Лизинг - это финансовый инструмент, позволяющий предприятию получить в пользование технику или оборудование, не отвлекая денежных средств из оборота компании.
Получив вашу заявку на лизинг, мы отправим ее на рассмотрение всем лизинговым компаниям, с которыми мы сотрудничаем. Вам останется лишь выбрать наиболее подходящее предложение.