Каталог
Мини-гидроэлектростанция 10 kW
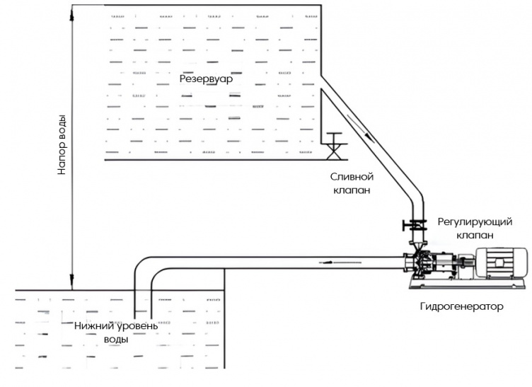
| Модель | 10 kW | |
| Напор (м) | 6 | |
| Расход (м³/с) | 0,15-0,25 | |
| Рекомендуемый внутренний диаметр трубы (мм) | 300 | |
| Входной диаметр турбины (мм) | 250 | |
| Габаритные размеры (мм) | Длина | 1800 |
| Ширина | 600 | |
| Высота | 700 | |
| Вес (кг) | 400 | |
Шефмонтажные и пусконаладочные работы
При поставке данного оборудования возможен шеф-монтаж нашими инженерами.
Шефмонтажные работы являются одним из важных этапов при создании нового производства, позволяя правильно ввести в эксплуатацию оборудование, сохранив его работоспособность и надежность, исключить сбои и брак во время эксплуатации.
Этапы шефмонтажных работ
0
Осмотр производственной площадки
1
Монтаж оборудование на постоянное место
2
Проверка работоспособности всех узлов и агрегатов
3
Настройка оборудования
4
Изготовление пробной партии продукции
5
Инструктаж и практическое обучение персонала
6
Передача оборудования в производственный цикл
Запчасти для гидроэлектростанций
Программа по обеспечению запасными частями и расходными материалами позволяет обслуживать клиентов на высоком уровне. Постоянное изучение потребностей наших заказчиков дает возможность прогнозировать потребности клиентов и вовремя пополнять складские запасы наиболее востребованным ассортиментом. А в случае отсутствия необходимой запчасти на нашем складе ее всегда можно заказать на заводе-производителе.
Доставка
Доставка осуществляется во все города РФ и стран ЕврАзЭС. Мы организуем доставку любым удобным видом транспорта.
Перед передачей в перевозку все грузы проходят проверку на складе и составляется фотоотчет.
На все грузы наносится маркировка.
Собственный парк автотранспорта.
Собственный парк контейнеров.
Лизинг
Лизинг - это финансовый инструмент, позволяющий предприятию получить в пользование технику или оборудование, не отвлекая денежных средств из оборота компании.
Получив вашу заявку на лизинг, мы отправим ее на рассмотрение всем лизинговым компаниям, с которыми мы сотрудничаем. Вам останется лишь выбрать наиболее подходящее предложение.