Каталог
Вилочный электропогрузчик BIGJOE EC120MH
Вилочный электропогрузчик
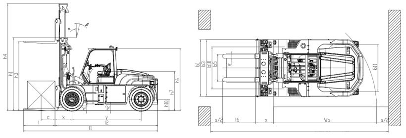
| Модель | BIGJOE EC120MH | ||
| Тип привода | Электрический | ||
| Тип управления | Сидячее | ||
| Грузоподъемность (Q) (кг) | 12 000 | ||
| Центр нагрузки (c) (мм) | 600 | ||
| Длина переднего свеса (x) (мм) | 737 | ||
| Колесная база (y) (мм) | 3000 | ||
| Полная загрузка (кг) | Передняя ось | 24760 | |
| Задняя ось | 2740 | ||
| Без нагрузки (кг) | Передняя ось | 7410 | |
| Задняя ось | 8090 | ||
| Тип шин | Пневматические | ||
| Передние колеса | 10,00–20-18 PR | ||
| Задние колеса | 10,00–20-18 PR | ||
| Количество колес | 4 ведущих / 2 | ||
| Колея передняя (b₁₀) (мм) | 1748 | ||
| Колея задняя (b₁₁) (мм) | 1950 | ||
| Угол наклона мачты (α/β) | Вперед | 6° | |
| Назад | 12° | ||
| Минимальная высота мачты (h₁) (мм) | 3175 | ||
| Свободный ход подъема (h₂) (мм) | 88 | ||
| Высота подъема (h₃) (мм) | 3000 | ||
| Высота мачты в поднятом состоянии (h₄) (мм) | 4645 | ||
| Высота защитной крыши (h₆) (мм) | 2755 | ||
| Высота сиденья (h₇) (мм) | 1700 | ||
| Высота сцепного устройства (h₁₀) (мм) | 490 | ||
| Общая длина (l₁) (мм) | 5832 (включая сцепное устройство) | ||
| Длина до вертикальной поверхности вил (l₂) (мм) | 4462 | ||
| Общая ширина (b₁/b₂) (мм) | 2350 | ||
| Размеры вил (s×e×l) (мм) | 88 х 175 х 1370 | ||
| Внешняя ширина каретки (b₃) (мм) | 2336 | ||
| Дорожный просвет (m₁) (мм) | 270 (под мачтой) | ||
| Дорожный просвет по центру (m₂) (мм) | 270 | ||
| Ширина прохода для штабелирования (Ast) (мм) | Поддон 1000 х 1200 мм | 6597 | |
| Поддон 800 х 1200 мм | 6597 | ||
| Радиус поворота (Wa) (мм) | 4290 | ||
| Скорость движения (км/ч) | С грузом | 25 | |
| Без груза | 27 | ||
| Скорость подъема (м/с) | С грузом | 0,38 | |
| Без груза | 0,46 | ||
| Скорость опускания (м/с) | С грузом | 0,4 | |
| Без груза | 0,33 | ||
| Максимальный уклон (%) | С грузом | 20 | |
| Без груза | 25 | ||
| Тип рулевого управления | Гидравлический | ||
| Рабочий тормоз | Гидравлический | ||
| Тип привода | Постоянные магниты (синхронный) | ||
| Стояночный тормоз | Механический | ||
| Двигатель привода | 60 кВт (режим S2, 60 мин) | ||
| Двигатель подъема | 2 х 48 кВт (режим S3, 15 %) | ||
| Аккумулятор (В/Ач) | 541/150 | ||
| Вес аккумулятора (кг) | 650 | ||
| Собственный вес (кг) | 15500 | ||
Мачта
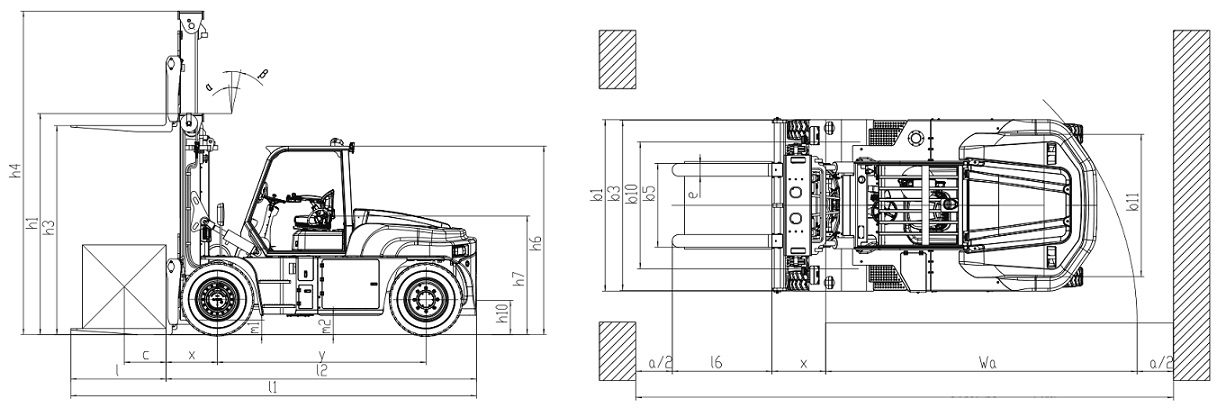
| Высота подъема мачты (h3) (мм) | 3000 |
| Минимальная высота, мачта сложена (h1) (мм) | 3175 |
| Максимальная высота, мачта разложена (h4) (мм) | 4645 |
| Свободный ход (h2) (мм) | 88 |
| Вылет спереди (мм) | 737 |
| Вес (кг) | 3676 |
Шефмонтажные и пусконаладочные работы
При поставке данного оборудования возможен шеф-монтаж нашими инженерами.
Шефмонтажные работы являются одним из важных этапов при создании нового производства, позволяя правильно ввести в эксплуатацию оборудование, сохранив его работоспособность и надежность, исключить сбои и брак во время эксплуатации.
Этапы шефмонтажных работ
0
Осмотр производственной площадки
1
Монтаж оборудование на постоянное место
2
Проверка работоспособности всех узлов и агрегатов
3
Настройка оборудования
4
Изготовление пробной партии продукции
5
Инструктаж и практическое обучение персонала
6
Передача оборудования в производственный цикл
Запчасти для электрических вилочных погрузчиков
Программа по обеспечению запасными частями и расходными материалами позволяет обслуживать клиентов на высоком уровне. Постоянное изучение потребностей наших заказчиков дает возможность прогнозировать потребности клиентов и вовремя пополнять складские запасы наиболее востребованным ассортиментом. А в случае отсутствия необходимой запчасти на нашем складе ее всегда можно заказать на заводе-производителе.
Доставка
Доставка осуществляется во все города РФ и стран ЕврАзЭС. Мы организуем доставку любым удобным видом транспорта.
Перед передачей в перевозку все грузы проходят проверку на складе и составляется фотоотчет.
На все грузы наносится маркировка.
Собственный парк автотранспорта.
Собственный парк контейнеров.
Наши партнеры по доставке
Лизинг
Лизинг - это финансовый инструмент, позволяющий предприятию получить в пользование технику или оборудование, не отвлекая денежных средств из оборота компании.
Получив вашу заявку на лизинг, мы отправим ее на рассмотрение всем лизинговым компаниям, с которыми мы сотрудничаем. Вам останется лишь выбрать наиболее подходящее предложение.