Каталог
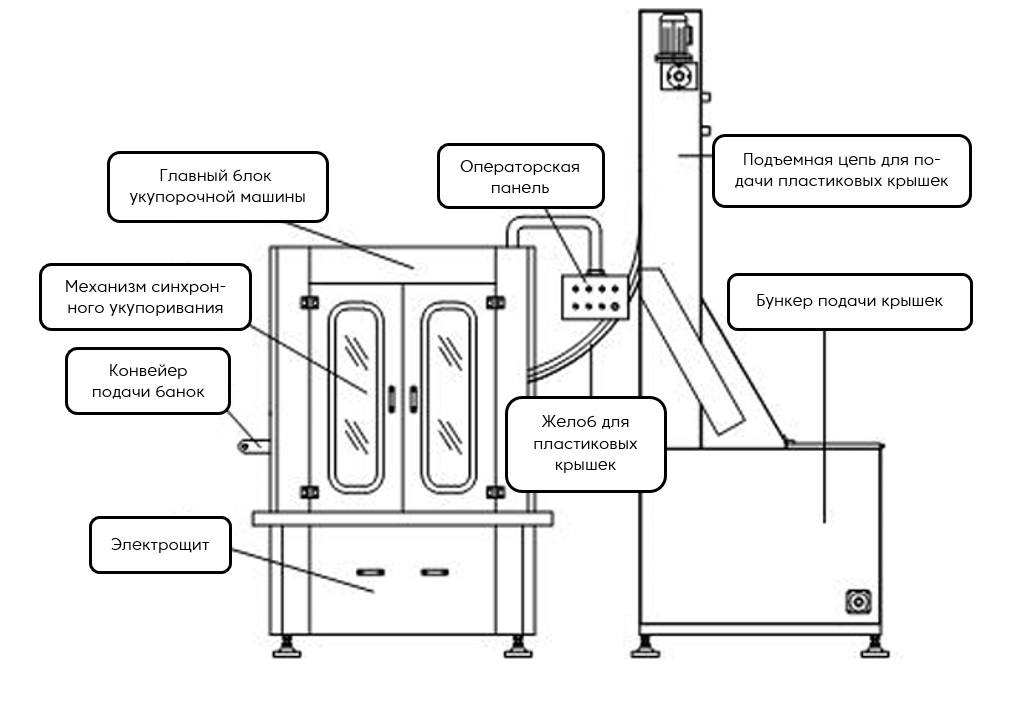
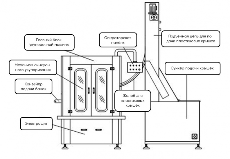
Скоростная укупорочная машина для пластмассовой крышки под жестяную банку №7 PXP-6000
| Модель | PXP-6000 | |
| Производительность (шт/мин) | 100-120 | |
| Требования к качеству крышек | Допуск по высоте и размеру (мм) | 1 |
| Материал | PP | |
| Наклон крышки в сторону (др. деформации недопустимы) (мм) | Не должен превышать 1 | |
| Вес (г) | 2,8-3 | |
| Основной материал изготовления машины | Нержавеющая сталь 304 | |
| Мощность двигателя (кВт) | 1,5 | |
| Конфигурация механизмов | Автоматическое устройство сортировки и распределения крышек | |
| Автоматическое устройство разделения банок | ||
| Устройство позиционирования и предотвращения опрокидывания банок | ||
| Синхронное устройство постоянной скорости для автоматического завинчивания | ||
| Система автоматического управления на базе ПЛК | ||
| Габаритные размеры укупорочной машины (мм) | 1360 x 950 x 2000 | |
| Габаритные размеры устройства для позиционирования и подачи крышек | 830 x 1100 x 3000 | |
| Общий вес оборудования (кг) | 680 | |
Шефмонтажные и пусконаладочные работы
При поставке данного оборудования возможен шеф-монтаж нашими инженерами.
Шефмонтажные работы являются одним из важных этапов при создании нового производства, позволяя правильно ввести в эксплуатацию оборудование, сохранив его работоспособность и надежность, исключить сбои и брак во время эксплуатации.
Этапы шефмонтажных работ
0
Осмотр производственной площадки
1
Монтаж оборудование на постоянное место
2
Проверка работоспособности всех узлов и агрегатов
3
Настройка оборудования
4
Изготовление пробной партии продукции
5
Инструктаж и практическое обучение персонала
6
Передача оборудования в производственный цикл
Запчасти для укупорочного оборудования
Программа по обеспечению запасными частями и расходными материалами позволяет обслуживать клиентов на высоком уровне. Постоянное изучение потребностей наших заказчиков дает возможность прогнозировать потребности клиентов и вовремя пополнять складские запасы наиболее востребованным ассортиментом. А в случае отсутствия необходимой запчасти на нашем складе ее всегда можно заказать на заводе-производителе.
Доставка
Доставка осуществляется во все города РФ и стран ЕврАзЭС. Мы организуем доставку любым удобным видом транспорта.
Перед передачей в перевозку все грузы проходят проверку на складе и составляется фотоотчет.
На все грузы наносится маркировка.
Собственный парк автотранспорта.
Собственный парк контейнеров.
Лизинг
Лизинг - это финансовый инструмент, позволяющий предприятию получить в пользование технику или оборудование, не отвлекая денежных средств из оборота компании.
Получив вашу заявку на лизинг, мы отправим ее на рассмотрение всем лизинговым компаниям, с которыми мы сотрудничаем. Вам останется лишь выбрать наиболее подходящее предложение.