Каталог
Гидравлический таблеточный пресс KSTY-300
| Модель | KSTY-300 |
| Максимальная производительность (циклов/мин) | 4-6 (По однослойной таблетке) |
| 2-3 (По двухслойной таблетке) | |
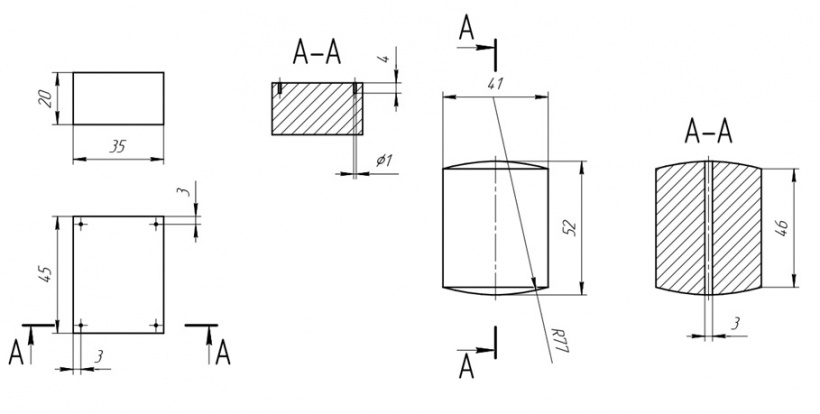
| Количество изделий за цикл (шт.) | 20 (таблетка по чертежу заказчика Ø41 x 52 мм, 45 x 35 x 20 мм) |
| Максимальное давление прессования (т) | 300 |
| Максимальный диаметр таблетки (мм) | 500 (Опционально) |
| Максимальная высота загрузки (мм) | 150 (Опционально) |
| Напряжение (В) | 380 |
| Мощность (кВт) | 37 |
| Габаритные размеры (мм) | 3000 x 1000 x 3500 |
| Вес (кг) | 5800 |
Шефмонтажные и пусконаладочные работы
При поставке данного оборудования возможен шеф-монтаж нашими инженерами.
Шефмонтажные работы являются одним из важных этапов при создании нового производства, позволяя правильно ввести в эксплуатацию оборудование, сохранив его работоспособность и надежность, исключить сбои и брак во время эксплуатации.
Этапы шефмонтажных работ
0
Осмотр производственной площадки
1
Монтаж оборудование на постоянное место
2
Проверка работоспособности всех узлов и агрегатов
3
Настройка оборудования
4
Изготовление пробной партии продукции
5
Инструктаж и практическое обучение персонала
6
Передача оборудования в производственный цикл
Запчасти для оборудования, прессующего соль
Программа по обеспечению запасными частями и расходными материалами позволяет обслуживать клиентов на высоком уровне. Постоянное изучение потребностей наших заказчиков дает возможность прогнозировать потребности клиентов и вовремя пополнять складские запасы наиболее востребованным ассортиментом. А в случае отсутствия необходимой запчасти на нашем складе ее всегда можно заказать на заводе-производителе.
Доставка
Доставка осуществляется во все города РФ и стран ЕврАзЭС. Мы организуем доставку любым удобным видом транспорта.
Перед передачей в перевозку все грузы проходят проверку на складе и составляется фотоотчет.
На все грузы наносится маркировка.
Собственный парк автотранспорта.
Собственный парк контейнеров.
Лизинг
Лизинг - это финансовый инструмент, позволяющий предприятию получить в пользование технику или оборудование, не отвлекая денежных средств из оборота компании.
Получив вашу заявку на лизинг, мы отправим ее на рассмотрение всем лизинговым компаниям, с которыми мы сотрудничаем. Вам останется лишь выбрать наиболее подходящее предложение.