Каталог
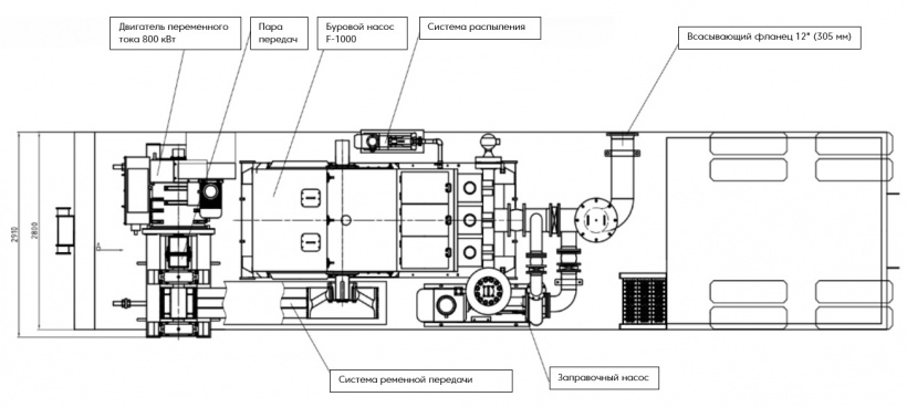
Буровой насос с дизельным двигателем на полуприцепе F-1000
| Модель | F-1000 | |
| Тип | Горизонтальный трехцилиндровый односторонний поршневой насос | |
| Тип шестерен | Косозубые | |
| Номинальная частота хода (ход/мин) | 140 | |
| Ход поршня (мм) | 254 | |
| Редукция | 4,207:1 | |
| Максимальное рабочее давление (МПа) | 34,5 | |
| Камера клапана | API №6 | |
| Входной патрубок | 10" | |
| Выходной патрубок | 4" | |
| Фланец | JA-3 | |
| Предохранительный клапан | Срезной | |
| Максимальный диаметр гильзы (мм) | 170 | |
| Смазка | Принудительная + разбрызгивающая | |
| Номинальная мощность (кВт) | 746 | |
| Подключение всасывания (мм) | 305 | |
| Подключение нагнетания | 5 1/8" фланец, 5000 PSI | |
| Система нагнетания | Производительность (м³/ч) | 220 |
| Напор (м) | 28 | |
| Частота вращения (об/мин) | 1450 | |
| Вход | 8" | |
| Выход | 6" | |
| КПД (%) | 65 | |
| Насос | SB 6"x8" J-11" | |
| Электродвигатель (кВт) | 22 | |
| Привод | Cummins C1200 | |
| Частота вращения дизельного двигателя (об/мин) | 1800 | |
| Мощность электродвигателя (кВт) | 22 | |
| Номинальная мощность (л.с.) | 1200 | |
| Габаритные размеры (мм) | 4267 x 3167 x 2580 | |
| Вес (кг) | 18 790 | |
Диаметры гильз и соответствующее рабочее давление
| Диаметр | Давление (МПа) | Давление (PSI) |
| 6 3/4" | 16,35 | 2370 |
| 6 1/2" | 17,63 | 2555 |
| 6 1/4" | 19,07 | 2765 |
| 6" | 20,69 | 3000 |
| 5 1/2" | 24,62 | 3570 |
| 5" | 29,79 | 4320 |
| 4 1/2" | 35 | 5075 |
| 4" | 35 | 5075 |
Производительность (расход) при разных скоростях насоса
| Диаметр | Производительность (л/с) | Производительность (gpm) |
| При 140 ход/мин, мощность 746 кВт | ||
| 6 3/4" | 41,05 | 651 |
| 6 1/2" | 38,06 | 603 |
| 6 1/4" | 35,19 | 558 |
| 6" | 32,43 | 514 |
| 5 1/2" | 27,25 | 432 |
| 5" | 22,52 | 357 |
| 4 1/2" | 18,24 | 289 |
| 4" | 14,41 | 228 |
| При 130 ход/мин, мощность 692 кВт | ||
| 6 3/4" | 38,12 | 604,2 |
| 6 1/2" | 35,35 | 560 |
| 6 1/4" | 32,68 | 518 |
| 6" | 30,12 | 477 |
| 5 1/2" | 25,31 | 401 |
| 5" | 20,91 | 331 |
| 4 1/2" | 16,94 | 269 |
| 4" | 13,39 | 212 |
| При 120 ход/мин, мощность 639 кВт | ||
| 6 3/4" | 35,18 | 558 |
| 6 1/2" | 32,63 | 517 |
| 6 1/4" | 30,16 | 478 |
| 6" | 27,80 | 441 |
| 5 1/2" | 23,36 | 370 |
| 5" | 19,31 | 306 |
| 4 1/2" | 15,64 | 248 |
| 4" | 12,36 | 196 |
| При 110 ход/мин, мощность 596 кВт | ||
| 6 3/4" | 32,25 | 511 |
| 6 1/2" | 29,91 | 474 |
| 6 1/4" | 27,65 | 438 |
| 6" | 25,48 | 404 |
| 5 1/2" | 21,41 | 339 |
| 5" | 17,70 | 281 |
| 4 1/2" | 14,33 | 227 |
| 4" | 11,33 | 180 |
| При 100 ход/мин, мощность 533 кВт | ||
| 6 3/4" | 29,32 | 465 |
| 6 1/2" | 27,19 | 431 |
| 6 1/4" | 25,14 | 398 |
| 6" | 23,17 | 367 |
| 5 1/2" | 19,47 | 309 |
| 5" | 16,09 | 255 |
| 4 1/2" | 13,03 | 207 |
| 4" | 10,30 | 163 |
Шефмонтажные и пусконаладочные работы
При поставке данного оборудования возможен шеф-монтаж нашими инженерами.
Шефмонтажные работы являются одним из важных этапов при создании нового производства, позволяя правильно ввести в эксплуатацию оборудование, сохранив его работоспособность и надежность, исключить сбои и брак во время эксплуатации.
Этапы шефмонтажных работ
0
Осмотр производственной площадки
1
Монтаж оборудование на постоянное место
2
Проверка работоспособности всех узлов и агрегатов
3
Настройка оборудования
4
Изготовление пробной партии продукции
5
Инструктаж и практическое обучение персонала
6
Передача оборудования в производственный цикл
Запчасти для буровых насосов
Программа по обеспечению запасными частями и расходными материалами позволяет обслуживать клиентов на высоком уровне. Постоянное изучение потребностей наших заказчиков дает возможность прогнозировать потребности клиентов и вовремя пополнять складские запасы наиболее востребованным ассортиментом. А в случае отсутствия необходимой запчасти на нашем складе ее всегда можно заказать на заводе-производителе.
Доставка
Доставка осуществляется во все города РФ и стран ЕврАзЭС. Мы организуем доставку любым удобным видом транспорта.
Перед передачей в перевозку все грузы проходят проверку на складе и составляется фотоотчет.
На все грузы наносится маркировка.
Собственный парк автотранспорта.
Собственный парк контейнеров.
Лизинг
Лизинг - это финансовый инструмент, позволяющий предприятию получить в пользование технику или оборудование, не отвлекая денежных средств из оборота компании.
Получив вашу заявку на лизинг, мы отправим ее на рассмотрение всем лизинговым компаниям, с которыми мы сотрудничаем. Вам останется лишь выбрать наиболее подходящее предложение.