Каталог
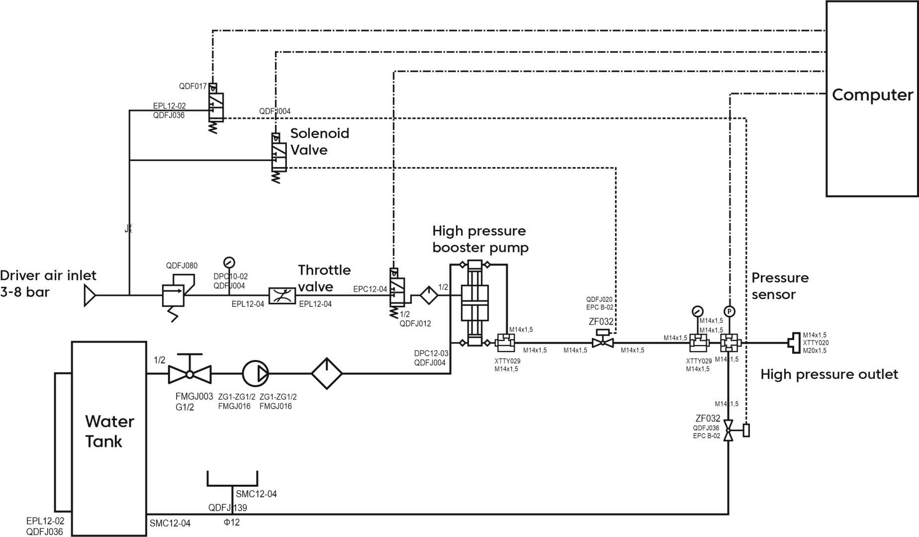
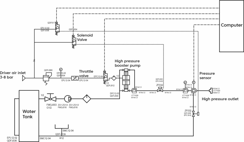
Испытательный станок для РВД SHT-GD64-400-800-CC
| Модель | SHT-GD64-400-800-CC |
| Диапазон давления (бар) | 64-5000 |
| Точность теста (%) | ±0,5 |
| Диапазон времени (ч) | 0-999 |
| Силовое устройство | Пневматический жидкостный насос |
| Модель силового устройства | DGGD64+DGGD400+DGG800 |
| Программное обеспечение для тестирования | ПО для лабораторного просмотра |
| Комбинация FR.L | UFRL04 |
| Экспериментальная среда | Вода/масло |
| Приводное давление воздуха (МПа) | 0,2-0,8 |
| Выходной поток (л/мин) | 70 |
| Режим управления | Компьютерное |
| Габаритные размеры основного устройства (мм) | 1400 х 1500 х 1000 |
| Вес (кг) | 480 |
Шефмонтажные и пусконаладочные работы
При поставке данного оборудования возможен шеф-монтаж нашими инженерами.
Шефмонтажные работы являются одним из важных этапов при создании нового производства, позволяя правильно ввести в эксплуатацию оборудование, сохранив его работоспособность и надежность, исключить сбои и брак во время эксплуатации.
Этапы шефмонтажных работ
0
Осмотр производственной площадки
1
Монтаж оборудование на постоянное место
2
Проверка работоспособности всех узлов и агрегатов
3
Настройка оборудования
4
Изготовление пробной партии продукции
5
Инструктаж и практическое обучение персонала
6
Передача оборудования в производственный цикл
Запчасти для испытательного оборудования для научно-исследовательских институтов, университетов и предприятий
Программа по обеспечению запасными частями и расходными материалами позволяет обслуживать клиентов на высоком уровне. Постоянное изучение потребностей наших заказчиков дает возможность прогнозировать потребности клиентов и вовремя пополнять складские запасы наиболее востребованным ассортиментом. А в случае отсутствия необходимой запчасти на нашем складе ее всегда можно заказать на заводе-производителе.
Доставка
Доставка осуществляется во все города РФ и стран ЕврАзЭС. Мы организуем доставку любым удобным видом транспорта.
Перед передачей в перевозку все грузы проходят проверку на складе и составляется фотоотчет.
На все грузы наносится маркировка.
Собственный парк автотранспорта.
Собственный парк контейнеров.
Лизинг
Лизинг - это финансовый инструмент, позволяющий предприятию получить в пользование технику или оборудование, не отвлекая денежных средств из оборота компании.
Получив вашу заявку на лизинг, мы отправим ее на рассмотрение всем лизинговым компаниям, с которыми мы сотрудничаем. Вам останется лишь выбрать наиболее подходящее предложение.